 |
Forum Oficjalnego Klubu Mitsubishi - MitsuManiaki
|
|
| Ogłoszenie |
W myśl ustawy RODO, akceptując regulamin wyrażasz zgodę na gromadzenie i przetwarzanie swoich danych osobowych w celach związanych z przyznaniem dostępu do forum / wstąpieniem do klubu. Administratorem danych jest Oficjalny Klub Mitsubishi - MitsuManiaki
Jeśli nie akceptujesz powyższych informacji, prosimy o kontakt z Administracją w celu usunięcia konta.
|
|
Podgrzewanie wycieraczek przednich |
| Autor |
Wiadomość |
WiValdiBB
Forumowicz WiValiBB

Auto: Outlander, Navara, XX
Kraj/Country: Polska
Pomógł: 1 raz Dołączył: 24 Maj 2009 Posty: 260 Skąd: Bielsko-Biała
|
Wysłany: 14-02-2021, 10:52 Podgrzewanie wycieraczek przednich
|
|
|
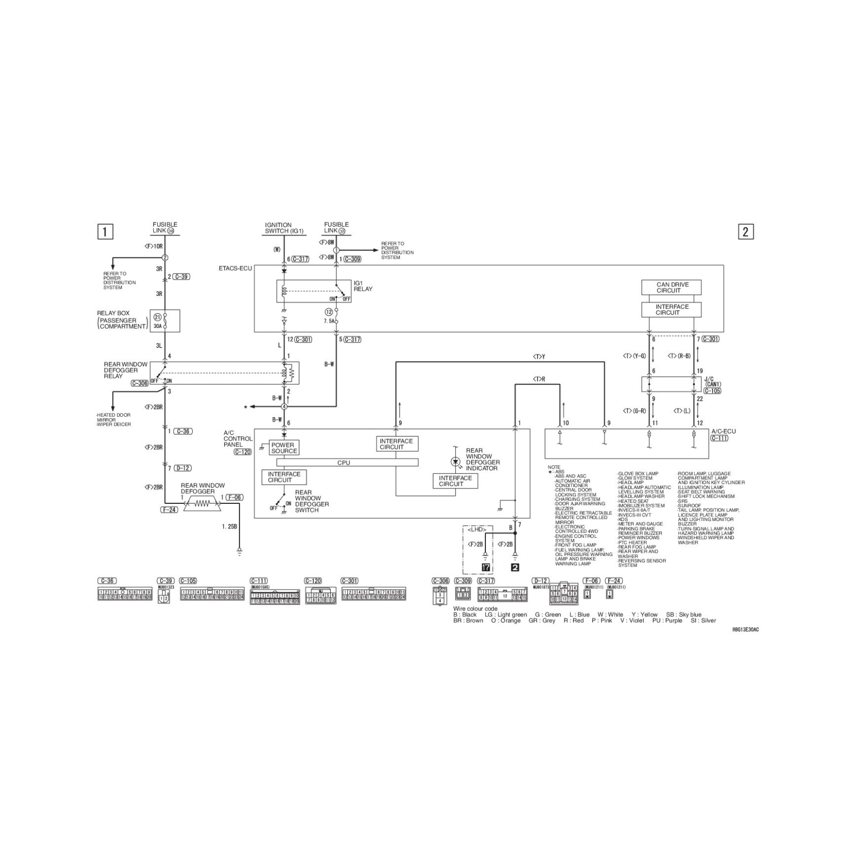
Podczas ostatnich prac związanych z montażem podgrzewacza filtra paliwa zastanawiając się jak wykonac załaczanie tego obwodu odkryłem że nasze auto posiada podgrzewanie wycieraczek, tzn posiada ale nie działające, działać nie mogło gdyż w odpowiednim miejscu w podstawce brak było przekaznika odpowiedzialnego za załączanie tego obwodu
Sterowanie załaczaniem tego obwodu odbywa sie wraz z załączaniem tylnej szyby jest z tego samego obwodu ETACSa, wprawdzie tylna szyba ma kolejny obwód wykonawczy z przekaznikiem w ETACSie (pod kierą)
Natomiast nie każdy OUTlander ma podgrzewanie wycieraczek, ogladałem skrzynki bezpiecznikowo przekaznikowe komór silnikowych i w wielu nawet nie widac poł stykowych w miejscu na podstawkę dedykowanego przekażnika
U mnie tez brakowało przekaźnika, ale styki były, pomiar miernikiem wykazał 2,5 Ohma więc obwód grzejny tez jest
Można to sprawdzić samemu wpinając omomierz w gniazdo przekaznika A22X, na lewym styku jest +12V a prawy leci na grzałkę, wiec omomierzem miedzy prawym a masą, powinno byc tam ok 2,4 Ohma
 |
_________________ 4x4 ForEver |
| Ostatnio zmieniony przez WiValdiBB 14-02-2021, 11:04, w całości zmieniany 1 raz |
|
|
|
 |
RolnykKaskader
Nowy Forumowicz
Auto: Outlander 2.2 DID
Kraj/Country: Polska
Dołączył: 02 Kwi 2020 Posty: 14 Skąd: Okolice Wwy
|
Wysłany: 14-02-2021, 10:56
|
|
|
Dzięki WiValdiBB!! Już wydzieliłem wątek, po czym zauważyłem że Ty już uczyniłeś!:)
Dzięki za wskazówki. Wczoraj po schemtach grzebiąc już wstępnie doszedłem co i gdzie w skrzynce leży. Bezpiecznik nr 10 u mnie już był włożony, przekaźnik przełożyłem z przeciwmgielnych na chwilę ale niestety żadnych objawów grzania przedniej szyby nie zauważyłem. Obawiam się, ze po prostu nie mam tej opcji i tyle.
Dzięki! |
|
|
|
 |
WiValdiBB
Forumowicz WiValiBB

Auto: Outlander, Navara, XX
Kraj/Country: Polska
Pomógł: 1 raz Dołączył: 24 Maj 2009 Posty: 260 Skąd: Bielsko-Biała
|
Wysłany: 14-02-2021, 11:07
|
|
|
| RolnykKaskader napisał/a: | Dzięki WiValdiBB!! Już wydzieliłem wątek, po czym zauważyłem że Ty już uczyniłeś!:)
Dzięki za wskazówki. Wczoraj po schemtach grzebiąc już wstępnie doszedłem co i gdzie w skrzynce leży. Bezpiecznik nr 10 u mnie już był włożony, przekaźnik przełożyłem z przeciwmgielnych na chwilę ale niestety żadnych objawów grzania przedniej szyby nie zauważyłem. Obawiam się, ze po prostu nie mam tej opcji i tyle.
Dzięki! |
Bezpiecznik nr 10 (czwarty z prawej) zabezpiecza obwód ale załącza go przekaznik A22X, sprawdz czy go masz, u mnie zdematerializował się, oczywiście musisz włączyć podgrzewanie tylnej szyby.
Sprawdz miernikiem, omomierzem z podstawki przekaznika do masy jak opisałem powyzej
A jezeli miałes kłopot z ogrzewaniem tylnej szyby to sprawdz bezpiecznik nr 21 (30A) oraz 22 (7,5A) oraz przekaznik C306 (na ETACSie pod kierą) drugi od góry w tym pionowym segmencie
Tu masz schemat
 |
_________________ 4x4 ForEver |
|
|
|
 |
RolnykKaskader
Nowy Forumowicz
Auto: Outlander 2.2 DID
Kraj/Country: Polska
Dołączył: 02 Kwi 2020 Posty: 14 Skąd: Okolice Wwy
|
Wysłany: 14-02-2021, 12:33
|
|
|
Tak, już jestem po dochodzeniu i mogę zdać relacje jak u mnie to wygląda:
1. Bezpiecznik nr 10 jest u mnie i ma się dobrze
2. Brak przekaźnika, niemniej jednak zworki są i jest miejsce do wpięcia (napięcie jest)
3. Zgodnie z Twoją sugestią, pomiar rezystancji również wykonałem i niestety nie wykazało nic.
4. Poszedłem dalej i zajrzałem do podszybia: przewody ładnie wyprowadzone są i niestety w moim przypadku instalacja kończy się na kostce (ostatni schemat z Twojego postu). Przejrzałem szyby i niestety, w moich nie ma mat grzejnych a co za tym idzie brak kostki do wpięcia się w instalacje.
Rozwiązanie w moim przypadku jest jedynie takie, że może kiedyś o ile zaszłaby konieczność przy wymianie szyby pokusić się o taką z podgrzewaniem LUB samodzielnie pobawić i spróbować dorzucić jakieś grzanie, bo instalacja jest.
Mój Outlander to nabytek ojczysty i pomimo dość niezłego wyposażenia tego bajeru nie ma, a szkoda bo w te mrozy przyznam fatalnie z wycieraczkami było.
Jeszcze raz bardzo dziękuję za cenne wskazówki i pomoc!:) Pozdrawiam! |
|
|
|
 |
kajos
Forumowicz

Auto: Outlander 2.0 Helmut
Kraj/Country: Polska
Pomógł: 27 razy Dołączył: 09 Mar 2017 Posty: 1090 Skąd: Chodziez
|
Wysłany: 14-02-2021, 13:20
|
|
|
pytanie
to podgrzewanie szyby pod piorami czy tylko podgrzewanie dysz ? |
_________________ Mam schematy elektryczne do Outlandera II. Jak ktos chce to daj znac |
|
|
|
 |
WiValdiBB
Forumowicz WiValiBB

Auto: Outlander, Navara, XX
Kraj/Country: Polska
Pomógł: 1 raz Dołączył: 24 Maj 2009 Posty: 260 Skąd: Bielsko-Biała
|
Wysłany: 14-02-2021, 13:21
|
|
|
| RolnykKaskader napisał/a: | Tak, już jestem po dochodzeniu i mogę zdać relacje jak u mnie to wygląda:
1. Bezpiecznik nr 10 jest u mnie i ma się dobrze
2. Brak przekaźnika, niemniej jednak zworki są i jest miejsce do wpięcia (napięcie jest)
3. Zgodnie z Twoją sugestią, pomiar rezystancji również wykonałem i niestety nie wykazało nic.
4. Poszedłem dalej i zajrzałem do podszybia: przewody ładnie wyprowadzone są i niestety w moim przypadku instalacja kończy się na kostce (ostatni schemat z Twojego postu). Przejrzałem szyby i niestety, w moich nie ma mat grzejnych a co za tym idzie brak kostki do wpięcia się w instalacje.
Rozwiązanie w moim przypadku jest jedynie takie, że może kiedyś o ile zaszłaby konieczność przy wymianie szyby pokusić się o taką z podgrzewaniem LUB samodzielnie pobawić i spróbować dorzucić jakieś grzanie, bo instalacja jest.
Mój Outlander to nabytek ojczysty i pomimo dość niezłego wyposażenia tego bajeru nie ma, a szkoda bo w te mrozy przyznam fatalnie z wycieraczkami było.
Jeszcze raz bardzo dziękuję za cenne wskazówki i pomoc!:) Pozdrawiam! |
Sytuacja wyjaśniona, tym niemniej gotowy obwód można wykorzystać do załączania np podgrzewacza filtra paliwa
Mam jeszcze pytanie o tylną szybę, pisąłeś że miałes kłopoty, może opiszesz, założysz temat, chętnie pomogę
[ Dodano: 14-02-2021, 13:22 ]
| kajos napisał/a: | pytanie
to podgrzewanie szyby pod piorami czy tylko podgrzewanie dysz ? | są to pola grzejne na szybach w miejscu gdzie parkują pióra wycieraczek, podgrzewane dysze dotyczyłyby chyba spryskiwacza raczej (miałem takie cos w Golfie III i nawet fajne to było), w moich wycieraczkach nie zauważyłem żadnych dysz, może w 2,0 jest inaczej |
_________________ 4x4 ForEver |
|
|
|
 |
raptor
Forumowicz
Auto: Outlander II 2008 2.2 DiD
Kraj/Country: Polska
Pomógł: 1 raz Dołączył: 20 Sty 2016 Posty: 82 Skąd: się biorą dzieci ?
|
Wysłany: 14-02-2021, 15:30
|
|
|
U u mnie podgrzewanie działa bez problemu, nawet 2 lata temu wymieniali mi szybę na gwarancji jak z przepalonej ścieżki w zimie pękła |
|
|
|
 |
RolnykKaskader
Nowy Forumowicz
Auto: Outlander 2.2 DID
Kraj/Country: Polska
Dołączył: 02 Kwi 2020 Posty: 14 Skąd: Okolice Wwy
|
Wysłany: 14-02-2021, 20:40
|
|
|
| WiValdiBB napisał/a: | | Mam jeszcze pytanie o tylną szybę, pisąłeś że miałes kłopoty, może opiszesz, założysz temat, chętnie pomogę |
U mnie grzanie tylnej szyby, czy lusterek działa bez problemu i kłopotów na szczęście z tym akurat nie miałem. Niemniej dzięki za ofertę pomocy!:)
Co do podgrzewania filtra paliwa... dobra myśl
Natomiast co do podgrzewania jeszcze tych wycieraczek.. wpadło mi w oko coś takiego przy okazji szukania informacji na ten temat.
https://pl.aliexpress.com/item/4000331114815.html
Pozdrawiam! |
|
|
|
 |
kajos
Forumowicz

Auto: Outlander 2.0 Helmut
Kraj/Country: Polska
Pomógł: 27 razy Dołączył: 09 Mar 2017 Posty: 1090 Skąd: Chodziez
|
Wysłany: 14-02-2021, 21:13
|
|
|
ogolnie jesli podgrzewanie nie jest w calej szybie (jak np. maja FORDy) to bez sensu
bo i tak szyba bedzie oblodzona i tak wiec plyn odmrazajacy i skrobanie i tak bedzie |
_________________ Mam schematy elektryczne do Outlandera II. Jak ktos chce to daj znac |
|
|
|
 |
Bzyk_R1
Mitsumaniak Outlanderowiec

Auto: O1T LSRG
Kraj/Country: Polska
Pomógł: 132 razy Dołączył: 02 Sie 2016 Posty: 5375 Skąd: Pińczów TPI
|
Wysłany: 14-02-2021, 21:46
|
|
|
| kajos, sens jest olbrzymi i piszę to jako posiadacz takiego wyposażenia w Outlanderze Turbo. Pomimo że podgrzewanie jest wycieraczek to ciepło rozchodzi się do połowy szyby. Ja zawsze parkuje na dworze pod chmurką i skrobać szybę muszę jedynie wtedy gdy bardzo się śpieszę. |
_________________ Gdy obowiązek wezwie mnie,
Tam wszędzie, gdzie się pali,
Ty mi, o Panie, siłę daj,
Bym życie ludzkie ocalił.
Lekki Samochód Ratowniczo Gaśniczy: 300+KM/500+Nm http://forum.mitsumaniaki...1489343#1489343 ターボアウトランダー
Legenda we własnym garażu: http://forum.mitsumaniaki...1502384#1502384
Sprzątam i pilnuję porządku w dziale Outlandera. Czasem zdarza mi się kogoś wycinać...
ZAPRASZAM DO ODWIEDZENIA I SUBSKRYPCJI MOJEGO KANAŁU NA YT
https://www.youtube.com/c...sgoaAdLHmEnzUrg A czy Ty Gość już subskrybujesz?
STOP HYBRID GO LPG |
|
|
|
 |
RolnykKaskader
Nowy Forumowicz
Auto: Outlander 2.2 DID
Kraj/Country: Polska
Dołączył: 02 Kwi 2020 Posty: 14 Skąd: Okolice Wwy
|
Wysłany: 14-02-2021, 23:29
|
|
|
| kajos napisał/a: | ogolnie jesli podgrzewanie nie jest w calej szybie (jak np. maja FORDy) to bez sensu
bo i tak szyba bedzie oblodzona i tak wiec plyn odmrazajacy i skrobanie i tak bedzie |
Sam zainteresowałem się tematem nie po to nawet aby nie skrobać szyb, ale przy ostatnich mrozach i jednocześnie chlapie na drodze nie byłem w stanie wymyć szyby przez zamarznięte i oblepione wycieraczki, gdzie sama szyba była w porządku ze względu na jej ogrzewanie nawiewem.
Tym samym, bardzo ucieszyłbym się z takiego rozwiązania. |
|
|
|
 |
kajos
Forumowicz

Auto: Outlander 2.0 Helmut
Kraj/Country: Polska
Pomógł: 27 razy Dołączył: 09 Mar 2017 Posty: 1090 Skąd: Chodziez
|
Wysłany: 15-02-2021, 00:25
|
|
|
nie ma takich pior wycieraczek zeby mechanizm zawiasow byl ogrzewany
przynajmniej ja takich nigdy nigdzie nie widzialem
teraz jak byly takie dosc duze mrozy i pada snieg zawsze bedzie tak ze zawiasy na piorach beda zamaraz i jedynym sposobem na to jest zatrzymanie sie i reczne zbicue tego lodu
wiec nawet jak bys mial ogrzewana szybe jak maja miedzy innymi FORDy to i tak bedzie lod sie zbieral na zawiasach |
_________________ Mam schematy elektryczne do Outlandera II. Jak ktos chce to daj znac |
|
|
|
 |
WiValdiBB
Forumowicz WiValiBB

Auto: Outlander, Navara, XX
Kraj/Country: Polska
Pomógł: 1 raz Dołączył: 24 Maj 2009 Posty: 260 Skąd: Bielsko-Biała
|
Wysłany: 15-02-2021, 07:05
|
|
|
| kajos napisał/a: | nie ma takich pior wycieraczek zeby mechanizm zawiasow byl ogrzewany
przynajmniej ja takich nigdy nigdzie nie widzialem
teraz jak byly takie dosc duze mrozy i pada snieg zawsze bedzie tak ze zawiasy na piorach beda zamaraz i jedynym sposobem na to jest zatrzymanie sie i reczne zbicue tego lodu
wiec nawet jak bys mial ogrzewana szybe jak maja miedzy innymi FORDy to i tak bedzie lod sie zbieral na zawiasach | ANo własnie miął kolega Transita wersję fińską, i pierwszy raz spotkałem się z autem tak wyposazonym na zimę, tam i -30 nie robiło zadnego wrazenia, siateczka grzejna w przedniej szybie podgrzewana miska olejowa, płyn chłodzacy z gniazdka, izolowane i podgrzewane przewody paliwowe, filtr paliwa pomijam webasto, gdyby musiał sie uruchomić na mrozie poza bazą, podobno miał równiez jakieś ulepszone bardziej precyzyjnie działajace hamulce
A zastanawialiście się dlaczego nasze 2,2 HDI tak klekoczą przez chwilę po odpaleniu na mrozie? Ruscy stestowali, po prostu polali przed uruchomieniem delikatne gorąca wodą wtryskiwacze, okazuje się że to one podmarzają
[ Dodano: 15-02-2021, 07:13 ]
| RolnykKaskader napisał/a: | | kajos napisał/a: | ogolnie jesli podgrzewanie nie jest w calej szybie (jak np. maja FORDy) to bez sensu
bo i tak szyba bedzie oblodzona i tak wiec plyn odmrazajacy i skrobanie i tak bedzie |
Sam zainteresowałem się tematem nie po to nawet aby nie skrobać szyb, ale przy ostatnich mrozach i jednocześnie chlapie na drodze nie byłem w stanie wymyć szyby przez zamarznięte i oblepione wycieraczki, gdzie sama szyba była w porządku ze względu na jej ogrzewanie nawiewem.
Tym samym, bardzo ucieszyłbym się z takiego rozwiązania. |
Ja mam wycieraczki Bosch AeroTwin, te bez tych ramionek i są mega lepsze, nie ma tematu oblodzonych zawiasów, są super, trwałe i naprawdę je polecam |
_________________ 4x4 ForEver |
|
|
|
 |
kajos
Forumowicz

Auto: Outlander 2.0 Helmut
Kraj/Country: Polska
Pomógł: 27 razy Dołączył: 09 Mar 2017 Posty: 1090 Skąd: Chodziez
|
Wysłany: 15-02-2021, 20:13
|
|
|
| tylko te wycieraczki bez tych ramion przy duztch predkosciach nie zbieraja dobrze bo sie wyginaja od oporu powietrza |
_________________ Mam schematy elektryczne do Outlandera II. Jak ktos chce to daj znac |
|
|
|
 |
Dragnes92
Forumowicz
Auto: Outlander II 2.4 4WD 170KM
Kraj/Country: Polska
Dołączył: 18 Sty 2020 Posty: 40 Skąd: Bytom
|
Wysłany: 15-02-2021, 20:17
|
|
|
Dziś spojrzałem u siebie i tak wygląda moja skrzynka
Na szybie na długości wycieraczek są takie widoczne paski miedzianego koloru |
|
|
|
 |
|
|
|