Forum Oficjalnego Klubu Mitsubishi - MitsuManiaki Strona Główna Forum Oficjalnego Klubu Mitsubishi - MitsuManiaki


FAQFAQ  SzukajSzukaj  UżytkownicyUżytkownicy  GrupyGrupy
RejestracjaRejestracja  ZalogujZaloguj  AlbumAlbum
 Ogłoszenie 


W myśl ustawy RODO, akceptując regulamin wyrażasz zgodę na gromadzenie i przetwarzanie swoich danych osobowych w celach związanych z przyznaniem dostępu do forum / wstąpieniem do klubu.
Administratorem danych jest Oficjalny Klub Mitsubishi - MitsuManiaki
Jeśli nie akceptujesz powyższych informacji, prosimy o kontakt z Administracją w celu usunięcia konta.

Poprzedni temat «» Następny temat
Zespół pompy paliwa wraz z pływakiem 2.0 DiD 136KM
Autor Wiadomość
rvlauren 
Mitsumaniak
LEMUR


Auto: GRANDIS 2.0 DiD 2006
Kraj/Country: Polska
Pomógł: 3 razy
Dołączył: 03 Lip 2008
Posty: 123
Skąd: Sławno
Wysłany: 28-10-2023, 09:55   Zespół pompy paliwa wraz z pływakiem 2.0 DiD 136KM

Cześć chłopaki pytanie jest wysiadł mi cały zespół pompa paliwa wraz z pływakiem nie pokazuje stanu paliwa i nie pompuje prąd wszystko dochodzi jest okej. Pytanie jest?
Na AliExpress są tylko 2.4 benzyna czy jest to ten sam zespół co do 2.0 diesel? Czy jest między nimi jakaś różnica?
Z góry dzięki za szybkie odpowiedzi lub przesłanie do odpowiedniego miejsca gdzie mogę się o tym dowiedzieć.

[ Dodano: 28-10-2023, 10:56 ]
Może jeszcze dopiszę jakby ktoś miał na sprzedaż to chętnie przygarnę.
_________________
MUZYKA ZMIENI TWÓJ NASTRÓJ !
 
 
Bizi78 
Mitsumaniak
Reklamożerca.


Auto: MSS 1.3 family 01r.
Kraj/Country: Polska
Pomógł: 824 razy
Dołączył: 01 Sty 2010
Posty: 21076
Skąd: Częstochowa
Wysłany: 28-10-2023, 10:16   

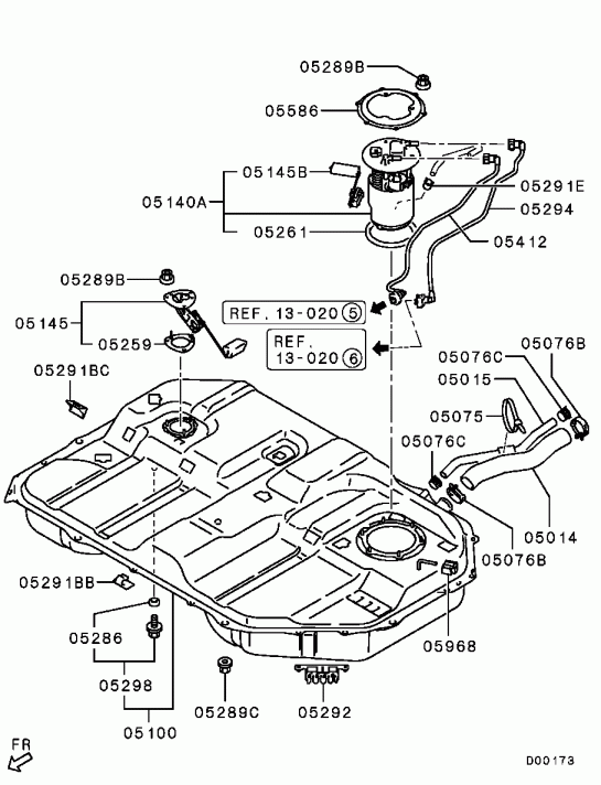
Pływaki, te poza pompą są takie same w 2.0 i 2.4.
Pompy są różne.
Teoretycznie możesz szukać po numerze części:
- pływak osobny MR959966
- zespół pompy 1760A178

Tutaj masz jakąś pompę, co do jakości to się nie wypowiem.
https://allegro.pl/oferta/770146-era-pompa-paliwa-13520778709

Edit.
Właśnie dojrzałem, że pływak jest feż w pompie i ma numer 1718A039.

_________________
Gość zobacz moją zieloną żabę :D .
 
 
rvlauren 
Mitsumaniak
LEMUR


Auto: GRANDIS 2.0 DiD 2006
Kraj/Country: Polska
Pomógł: 3 razy
Dołączył: 03 Lip 2008
Posty: 123
Skąd: Sławno
Wysłany: 29-10-2023, 15:02   

Super dzięki

[ Dodano: 08-11-2023, 15:29 ]
A masz możliwość sprawdzenia nr przekaźnika pompy paliwa do 2.0 BSY I jego umiejscowienie?
_________________
MUZYKA ZMIENI TWÓJ NASTRÓJ !
 
 
Bizi78 
Mitsumaniak
Reklamożerca.


Auto: MSS 1.3 family 01r.
Kraj/Country: Polska
Pomógł: 824 razy
Dołączył: 01 Sty 2010
Posty: 21076
Skąd: Częstochowa
Wysłany: 08-11-2023, 19:30   

Tutaj masz rozpiskę dla rocznika 2008.
http://mmc-manuals.ru/man...40121000ENG.HTM
Numer zobaczysz na przekaźniku bo katalog nie podaje.
_________________
Gość zobacz moją zieloną żabę :D .
 
 
Wyświetl posty z ostatnich:   
Odpowiedz do tematu
Nie możesz pisać nowych tematów
Nie możesz odpowiadać w tematach
Nie możesz zmieniać swoich postów
Nie możesz usuwać swoich postów
Nie możesz głosować w ankietach
Dodaj temat do Ulubionych
Wersja do druku

Skocz do:  

Powered by phpBB modified by Przemo © 2003 phpBB Group

Ta strona używa ciasteczek (ang. cookies) w celu logowania oraz do badania oglądalności strony.
Aby dowiedzieć się czym są ciasteczka odwiedź stronę wszystkoociasteczkach.pl
Jeśli nie wyrażasz zgody na wykorzystywanie ciasteczek na tej stronie, zablokuj je w opcjach Twojej przeglądarki internetowej.